+7 (912)-751-33-24Заказать звонок
Заказать звонок

Оставьте Ваше сообщение и контактные данные и наши специалисты свяжутся с Вами в ближайшее рабочее время для решения Вашего вопроса.

Ваш телефон
Ваш телефон*
Ваше имя
Ваше имя

* - Поля, обязательные для заполнения

Сообщение отправлено
Ваше сообщение успешно отправлено. В ближайшее время с Вами свяжется наш специалист
Закрыть окно
arbatex@list.ru
Каталог товаров
Подписка на новости магазина

Подпишитесь на рассылку и получайте свежие новости и акции нашего магазина.

Описание товара:

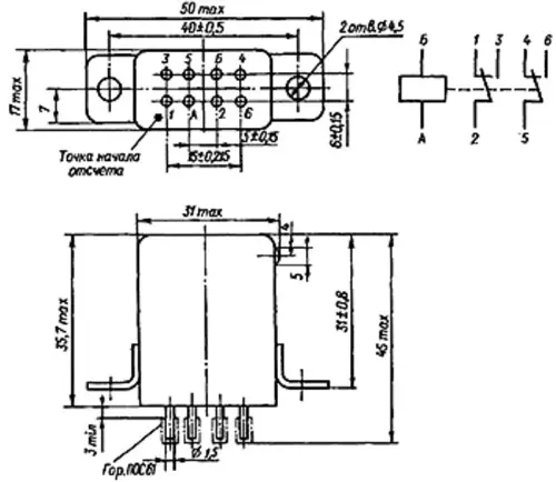
РЭН-34 ХП4.500.030-01 реле электромагнитное слаботочное зачехленное, двухпозиционное, одностабильное, с двумя переключающими контактами применяется для получения независимой выдержки времени. Реле времени применяется в схемах, где необходимо автоматически выполнить какое-то действие через определенный промежуток времени. Механизм реле размещен в пластмассовом корпусе, на лицевой части реле выведен переключатель поддиапазона установок и ручка установки выдержки времени.
436.28 руб. / шт Цена не является конечной и требует уточнения у менеджера.
Загрузка
Рассчитываем стоимость доставки
Пожалуйста подождите, рассчет займет немного времени

Описание товара

Описание реле РЭН-34 ХП4.500.030-01

РЭН-34 ХП4.500.030-01 реле электромагнитное слаботочное зачехленное, двухпозиционное, одностабильное, с двумя переключающими контактами применяется для получения независимой выдержки времени. Реле времени применяется в схемах, где необходимо автоматически выполнить какое-то действие через определенный промежуток времени. Механизм реле размещен в пластмассовом корпусе, на лицевой части реле выведен переключатель поддиапазона установок и ручка установки выдержки времени.

Параметры и характеристики реле РЭН-34 ХП4.500.030-01:


Слаботочные, электромагнитные герметичные реле РЭН-34 ХП4.500.030-01 предназначены для коммутации электрических цепей постоянного и переменного тока.
Технические условия: ХПО.450.000 ТУ

Основные технические и эксплуатационные характеристики РЭН-34 ХП4.500.030-01
Сопротивление контактной цепи на стадии поставки, Ом ...... 0,1
Время срабатывания, мс, не более ...... 15
Время отпускания, мс, не более ...... 8
Рабочая температура окружающей среды, °С ...... от –60 до +100
Масса, г ...... 60.
Добавить отзыв
Ваша оценка:
Отправить отзыв

Похожие товары (8)

436.28 руб. / шт Цена не является конечной и требует уточнения у менеджера.
РЭН-34 ХП4.500.030-01
Задать вопрос

Ваше имя*
Контактный телефон*
E-mail
Вопрос*

* - Поля, обязательные для заполнения

Сообщение отправлено
Ваше сообщение успешно отправлено. В ближайшее время с Вами свяжется наш специалист
Закрыть окно
Купить в один клик
Заполните данные для заказа
Запросить стоимость товара
Заполните данные для запроса цены
Запросить цену Запросить цену